共计 1296 个字符,预计需要花费 4 分钟才能阅读完成。
一、复合位置度的概念
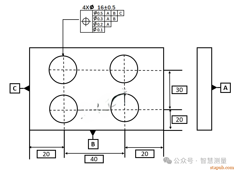
复合位置度是ASME Y14.5即美国机械工程师学会制定的“尺寸和公差标准”的一种标法,主要应用于阵列形体,即一组具有相同尺寸大小和形状并按一定规律排列的形体。阵列形体通常需要用上下框格的位置度控制:
上框格描述的是阵列形体作为一个整体的位置度公差,称为阵列位置公差(PLTZF)下框格描述的是阵列中各个形体相互之间的位置和方向公差,称为形体相关公差(FRTZF)从英文描述可以看出,上下框的公差都不是针对每一个具体的孔,而是一个几何图框(Framework),上框用于定位(Locating)它是由基准A、B、C及距离基准的理论正确尺寸所确定,下框是各个孔间的联系(Relating)它由孔间距的理论正确尺寸所确定
二、复合位置度的特点
1、特点:

复合位置度仅适用于成组的尺寸要素,公差框格特点是前面只有一个位置度符号,后面的两行或者多行位置度公差随着行数增多逐级递减,参考基准也逐级减少,最后一行也可能不参考任何基准.
2、含义:
对于复合位置度来讲,第一行与平时遇到的位置度评价没有区别,按照传统位置度理解计算即可,即:基准既约束公差带的方向(旋转自由度)、也约束公差带的位置(平移自由度);对于除第一行以外的下面几行,基准仅约束公差带的方向(旋转自由度),对公差带的平移自由度没有任何限制;如果复合位置度最后一行的公差带后面不带基准,则与基准没有任何关系

在分析复合位置度每个公差框格的含义时,我们可以先了解一下,在笛卡尔坐标系中,产品的6个自由度,分别是沿着XYZ向的平移(分别用x、y、z表示),以及绕着XYZ轴的旋转(分别用u、v、w表示)。

(1)对于复合位置度第一行,由上图可以看到,产品的A基准约束三个自由度,分别为z、u、v;基准B限制y、w;基准C限制x。
(2)对于复合位置度第二行,由于基准只能约束公差带的方向,所以基准A限制u、v;基准B限制w;所以第二行直径为0.3的圆柱形公差带可以整体平移,但是不能绕着XYZ旋转。
(3)对于复合位置度第三行,只有基准A,限制u、v,第三行4个直径为0.2的圆柱形公差带可以整体平移,还可以绕着Z轴旋转。
(4)对于第四行,没有任何基准,可以理解为4个直径为0.1的圆柱形公差带仅保持相互的理论位置即可,与基准无任何关系。
三、复合位置度解读
(1)第一行位置度公差要求控制孔组整体相对于基准系的位置、孔组整体方向、以及孔的相互位置关系;

(2)第二行公差带要求进一步对孔组整体相对于基准系的方向进行控制,各孔之间的相互位置关系也包含在内,但是第二行直径为0.3的圆柱形公差带可以在第一行公差带内整体上下左右整体平移(超出第一行公差带范围无效)

(3)第三行公差带要求进一步对孔组整体相对于A基准方向进行严格管控,由于A基准与孔组理论上相互垂直,所以该公差带也可以理解为是对孔组相对于A基准垂直度的把控,包括孔相互位置在内,要注意该直径为0.2的圆柱形公差带可以在第一二行公差带的基础上上下左右整体平移,还可以绕Z轴整体旋转(超出第一二行公差范围无效)

(4)第4行位置度公差很好理解,就是单纯对各孔之间的相互位置严格把控。